中盈蓝海包装制品有限公司
中文版
ENGLISH
全国服务热线
电话:0533-8011118
MENU
MENU
网站首页
关于我们
新闻中心
产品展示
纸绳制品
纸带制品
纸球制品
纸绳编制品
捆草网
青贮牧草膜-内膜
青贮牧草膜-外膜
绿化农业用袋
环评公示
环评监测报告
捆草网验收报告
案例展示
联系我们
网站首页
>
环评公示
>
捆草网验收报告
捆草网验收报告
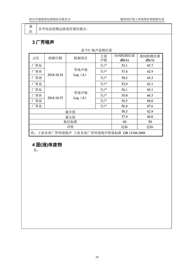
桓台中盈蓝海包装制品有限项目验收检测报告表4
2021-11-24
上一篇 桓台中盈蓝海包装制品有限项目验收检测报告表3
下一篇 桓台中盈蓝海包装制品有限项目验收检测报告表5
返回
快速链接
网站首页
关于我们
新闻中心
产品展示
环评公示
案例展示
联系我们
联系信息
电话:0533-8011118
传真:0533-8018882
网址:http://www.zhongyinglanhai.com
邮编:256400
地址:中国 山东 桓台县 唐山镇东营工业园
HOME
CALL
MENU
TOP